铜矿选矿工艺、铜矿浮选工艺、铜矿生产线

铜矿选矿工艺、铜矿浮选工艺、铜矿生产线

简介Introduction

铜矿在自然界中种类繁杂,矿物结构也复杂多样,嵌布粒度为不等粒嵌布,粒级跨越中、微、细三个粒级,以中、细粒为主。铜矿主要包括自然铜、硫化矿、和氧化矿。浮选作为铜矿石选矿常用的一种工艺流程,既可用于选别硫化铜矿也可用于选别氧化铜矿,铜矿浮选主要流程大致为:矿石的破碎筛分→阶段磨矿阶段浮选→浓缩脱水→铜精矿。

Introduction

铜矿选矿工艺、铜矿浮选工艺、铜矿生产线

铜矿选矿设备

24小时服务热线
138-1032-7080
24小时服务热线

如果您有任何的问题,请通过以下方式联系我们,我们将给您更多更好的协助!

微信询价

微信询价

铜矿选矿工艺

一段磨矿+浮选流程

适用范围

适用于处理铜矿物嵌布粒度较粗且均匀,铜矿物与脉石结合较疏松接触边缘呈光滑、平坦状的矿石。

主要工艺条件

  • 通常磨到-200目50-60%。铜矿物就基本上单体解离;

    磨矿细度
  • 通过粗选、扫选,一至三次精选就可以获得较好的浮选指标;

    浮选工艺

优点

这种流程简单,选矿成本低,在中小型铜矿选矿厂用的较多。

24小时服务热线
138-1032-7080
24小时服务热线

如果您有任何的问题,请通过以下方式联系我们,我们将给您更多更好的协助!

微信询价

微信询价

一段磨矿+浮选粗精矿再磨流程

适用范围

适用于处理斑岩铜矿的单一硫化矿石或铜钼矿石。

主要工艺条件

  • 原矿经一段磨矿到-200目40%~70%。去浮选,粗精矿再磨,再磨细度根据矿物单体解离情况确定 ;

    磨矿细度
  • 经过粗选、扫选抛去大量尾矿。粗精矿去再磨。再磨后经过二至三次精选,得到最终铜精矿。

    浮选工艺

流程特点

当原矿品位低,处理量大时,选矿厂可得到较好的经济效益。由于粗精矿再磨,粒度较细,铜矿物与脉石矿物及黄铁矿的单体解离较好,浮选精矿质量较高。

24小时服务热线
138-1032-7080
24小时服务热线

如果您有任何的问题,请通过以下方式联系我们,我们将给您更多更好的协助!

微信询价

微信询价

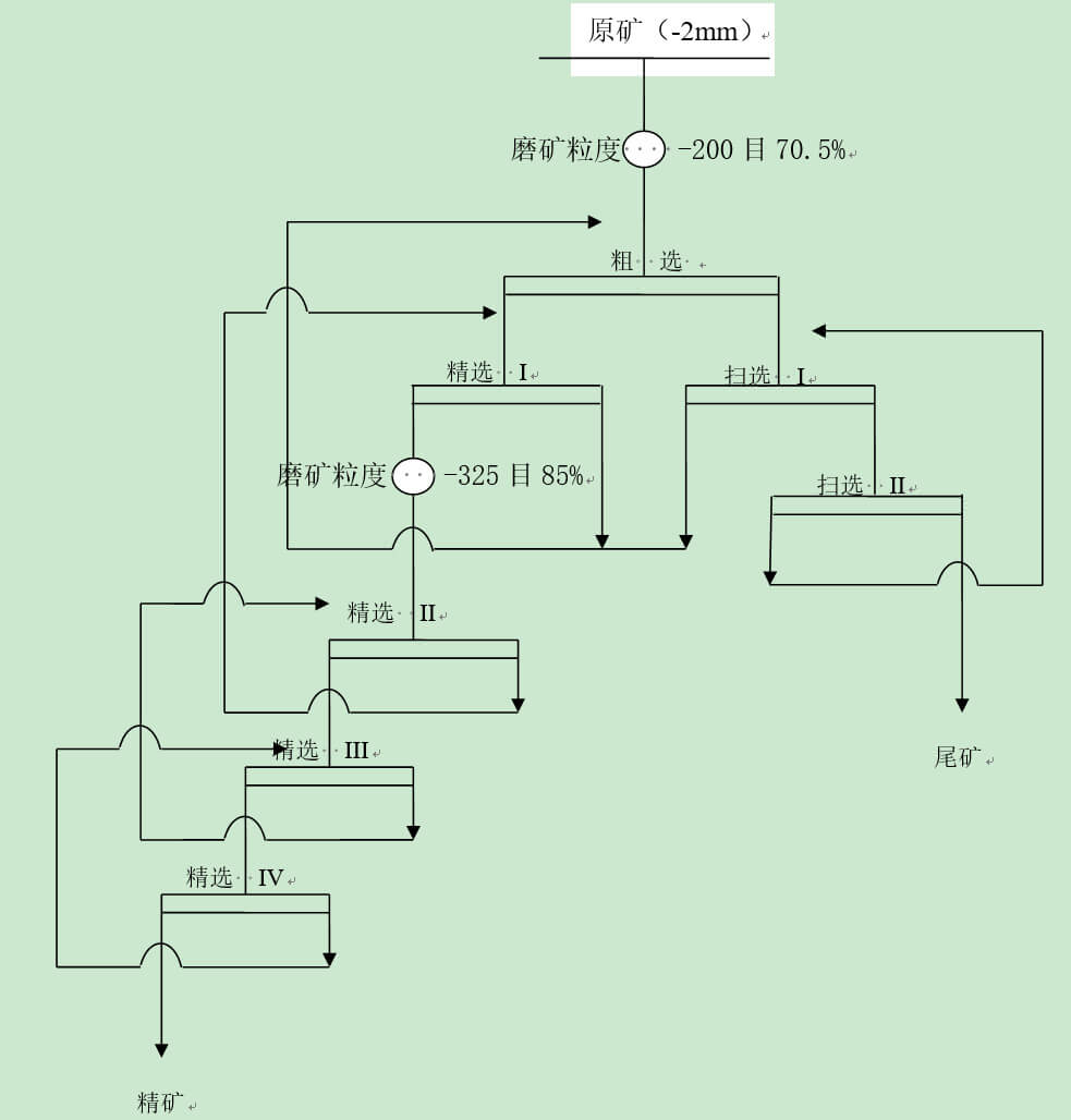
两段磨矿+两段(一段)浮选流程

适用范围

适用于粗细不均匀嵌布的铜矿石。为了使大部分铜矿物单体解离,需要把矿石磨得更细一些,这时就会采用两段磨矿。

主要工艺条件

  • -200%目约80%,或者更细。(为了使大部分铜矿物单体解离)

    磨矿细度
  • 矿石细第一段粗磨之后,即可浮选一部分粗粒的铜矿物,这部分铜精矿品位较高,可直接作为精矿或进入最后一次精选,或与两段磨矿后浮选所得的精矿合并为最终精矿。

    浮选工艺

优点

两段磨矿不论在磨矿效率或者防止铜矿物的过粉碎方面都比一段直接磨细效果要好,因此这种流程常为大中型铜矿选矿厂采用。

24小时服务热线
138-1032-7080
24小时服务热线

如果您有任何的问题,请通过以下方式联系我们,我们将给您更多更好的协助!

微信询价

微信询价

铜矿选矿回收率指标参考

矿石类型 硫化矿铜品位≥1 0.4≤硫化矿铜品位<1 硫化矿铜品位<0.4
混合矿铜品位≥1.5 0.6≤混合矿铜品位<1.5 混合矿铜品位<0.6
氧化矿铜品位≥3 1≤氧化矿铜品位<3 氧化矿铜品位<1
硫化矿 82%~90% 79%~88.5% 76%~83%
混合矿 80%~87% 76%~85.5% 73%~79.5%
氧化矿 71.5%~78.5% 68.5%~77% 66.0%~77%
24小时服务热线
138-1032-7080
24小时服务热线

如果您有任何的问题,请通过以下方式联系我们,我们将给您更多更好的协助!

微信询价

微信询价

相关案例


联系我们
在线咨询

在线咨询

服务热线

服务热线

服务热线 服务热线

138-1032-7080

在线留言

在线留言

回顶部

wechat

微信询价

consult
contact contact
在线留言
contact